行业: 电力
技术: 工控技术
随着全世界各地对地球自然环境保护意识逐渐加强,清洁能源也受到越来越多的重视,光伏发电和风力发电等新型发电系统在各个国家电力系统中的占比越来越大。而风力发电具有单台功率大,成本越来越低等优势;因此,风力发电行业这几年得到大力发展,中国的新装机容量也排在全世界第一名。
通常风力发电场建设在偏远的山区,风力发电机组分散在风力发电场不同位置。业主单位会在风力发电场内建设一个升压站,对风力发电场内的各个风力发电机组进行管理,风场内各风力发电机组以及升压站之间的通讯至关重要。
应通智能与飞腾基于国产飞腾嵌入式CPU芯片风场TSN解决方案,实现了风机和升压站之间的实时数据通讯,改变了通讯协议均为各供应商各自所有的现状,解决了现场通讯方式五花八门,无法实现统一的问题。
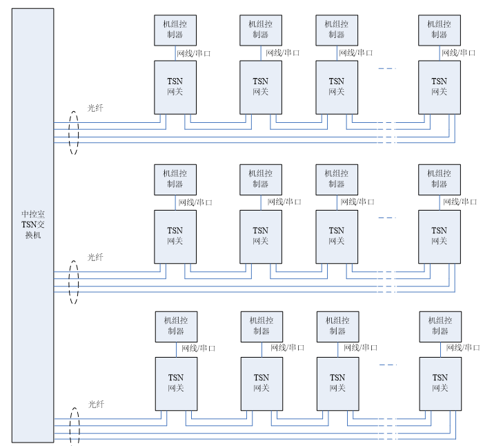
应通智能与飞腾基于国产飞腾嵌入式CPU芯片风场TSN解决方案在中控室部署TSN交换机,在风力发电机组中部署TSN网关。光纤采用不少于四芯的光纤,四芯光纤将TSN网关连接成光纤环网。风电场根据风力发电机组的分布情况设置成新星结构,环网链接方式,增强了通信网络的健壮性,如图1所示。

图1 风场网络拓扑图
解决方案基于的TSN技术完成风电场内风力发电机组和中控室数据通信。包含以下两部分:
1.硬件部分
在风力发电机组内部部署TSN网关。网关一端通过网口或者串口连接风力发电机组,获取风力发电机组的运行数据,如风况、转速、扭矩、桨距角、偏航角度等;网关另一端通过连接TSN光纤网络,形成TSN光纤环网,风力发电机组的运行数据在TSN光纤环网中进行实时传输。
2.通讯部分
方案采用开放的OPC UA通讯协议, OPC由OPC基金会进行管理,具有开放、通用和快速等特点,OPC 搭载TSN技术,实时通讯周期小于2ms,满足实时控制要求。
数据传输包括风力发电机组的设置数据,统计数据,经济动态数据以及可测动态运行数据四大类。
风力发电机组设置类数据完成风力发电机组的运行参数设置,如表1所示,
表1.设置数据表
|
序号 |
变量描述 |
序号 |
变量描述 |
序号 |
变量描述 |
序号 |
变量描述 |
|
1 |
功率设定值 |
7 |
时间日设定值 |
13 |
机组维护 |
19 |
远程复位机组 |
|
2 |
无功设定值 |
8 |
时间时设定值 |
14 |
远程偏航使能 |
20 |
无功功率因数设定 |
|
3 |
功率因数设定值 |
9 |
时间分设定值 |
15 |
远程CW偏航 |
21 |
无功功率设定 |
|
4 |
电压设定值 |
10 |
时间秒设定值 |
16 |
远程CCW偏航 |
22 |
电压设定 |
|
5 |
时间年设定值 |
11 |
时间毫秒设定值 |
17 |
远程机组停机 |
23 |
台风模式激活 |
|
6 |
时间月设定值 |
12 |
时间周设定值 |
18 |
远程启动机组 |
24 |
PLC时间设定 |
统计数据对风力发电机组的运行状态进行了统计,表征风力发电机组的运行历史状态,如表2所示,
表2.统计数据表
|
序号 |
变量描述 |
序号 |
变量描述 |
序号 |
变量描述 |
序号 |
变量描述 |
|
1 |
机组运行模式 |
11 |
机组日待机时间 |
21 |
齿轮箱油加热器运行时间 |
31 |
齿轮箱水泵启动次数 |
|
2 |
机组偏航模式 |
12 |
机组日发电时间 |
22 |
发电机加热器运行时间 |
32 |
齿轮箱水冷风扇启动次数 |
|
3 |
机组待机时间 |
13 |
机组日维护时间 |
23 |
液压泵运行时间 |
33 |
齿轮箱油加热器启动次数 |
|
4 |
机组发电时间 |
14 |
机组日风可用时间 |
24 |
偏航时间 |
34 |
发电机加热器启动次数 |
|
5 |
机组故障时间 |
15 |
机组日电网故障时间 |
25 |
偏航集中润滑运行时间 |
35 |
发电机内循环风扇加热器启动次数 |
|
6 |
机组维护时间 |
16 |
齿轮箱主泵运行时间 |
26 |
变桨轴承润滑运行时间 |
36 |
液压泵启动次数 |
|
7 |
可用风时间 |
17 |
齿轮箱过滤泵运行时间 |
27 |
变桨齿面润滑运行时间 |
37 |
偏航次数 |
|
8 |
电网故障时间 |
18 |
齿轮箱冷却泵运行时间 |
28 |
齿轮箱主泵启动次数 |
38 |
偏航集中润滑启动次数 |
|
9 |
可利用率 |
19 |
齿轮箱水泵运行时间 |
29 |
齿轮箱过滤泵启动次数 |
39 |
变桨轴承润滑启动次数 |
|
10 |
总耗电量 |
20 |
齿轮箱润滑油运行时间 |
30 |
齿轮箱冷却泵启动次数 |
40 |
变桨齿面润滑启动次数 |
经济动态数据是风机产生效益的动态记录,表征了风机的发电效率以及经济收益,如表3所示,
表3.动态经济数据表
|
序号 |
变量描述 |
序号 |
变量描述 |
序号 |
变量描述 |
序号 |
变量描述 |
|
1 |
机组总发电量 |
4 |
机组当天发电量 |
6 |
机组当天可利用率 |
8 |
机组当天耗电量 |
|
2 |
机组总运行时间 |
5 |
机组当天运行时间 |
7 |
机组当天故障时间 |
9 |
机组当天可利用率 |
|
3 |
机组总可利用率 |
|
|
|
|
|
|
可观测动态运行数据表征了风力发电机组的运行状态,如表4所示,
表4.可观测动态数据表
|
序号 |
变量描述 |
序号 |
变量描述 |
序号 |
变量描述 |
序号 |
变量描述 |
|
1 |
桨叶1角度 |
29 |
齿轮箱发电机侧轴承温度 |
57 |
电网频率 |
85 |
液压制动压力1 |
|
2 |
桨叶2角度 |
30 |
齿轮箱主轴承内圈温度 |
58 |
电网电流L1 |
86 |
液压制动压力2 |
|
3 |
桨叶3角度 |
31 |
齿轮箱主泵处油温 |
59 |
电网电流L2 |
87 |
偏航需求 |
|
4 |
桨叶1角度设定值 |
32 |
齿轮箱过滤泵处油温 |
60 |
电网电流L3 |
88 |
偏航角度 |
|
5 |
桨叶2角度设定值 |
33 |
齿轮箱冷却器入口油温 |
61 |
电网有功功率 |
89 |
偏航电机电磁抱闸状态 |
|
6 |
桨叶3角度设定值 |
34 |
齿轮箱冷却器出口油温 |
62 |
电网无功功率 |
90 |
偏航变频器启动 |
|
7 |
桨叶1变桨速度 |
35 |
齿轮箱冷却水温度 |
63 |
电网故障 |
91 |
偏航CW |
|
8 |
桨叶2变桨速度 |
36 |
齿轮箱油位 |
64 |
变频器发电机转速 |
92 |
偏航CCW |
|
9 |
桨叶3变桨速度 |
37 |
齿轮箱主滤芯入口压力 |
65 |
变频器主机发电机电压 |
93 |
偏航集中润滑启动 |
|
10 |
桨叶1电机电流 |
38 |
齿轮箱主滤芯出口压力 |
66 |
变频器从机发电机电压 |
94 |
偏航电机电磁抱闸开 |
|
11 |
桨叶2电机电流 |
39 |
发电机绕组温度1 |
67 |
变频器电网电压 |
95 |
偏航制动半释放 |
|
12 |
桨叶3电机电流 |
40 |
发电机绕组温度2 |
68 |
变频器IGBT温度 |
96 |
偏航制动全释放 |
|
13 |
桨叶1电机扭矩 |
41 |
发电机绕组温度3 |
69 |
变频器冷却液温度 |
97 |
偏航速度 |
|
14 |
桨叶2电机扭矩 |
42 |
发电机绕组温度4 |
70 |
变频器冷却液压力 |
98 |
机舱振动X |
|
15 |
桨叶3电机扭矩 |
43 |
发电机绕组温度5 |
71 |
变频器主机转矩 |
99 |
机舱振动Y |
|
16 |
变桨电机1温度 |
44 |
发电机绕组温度6 |
72 |
变频器从机转矩 |
100 |
机舱动力柜温度 |
|
17 |
变桨电机2温度 |
45 |
发电机齿轮箱侧轴承温度 |
73 |
变频器主机有功功率 |
101 |
机舱信号柜温度 |
|
18 |
变桨电机3温度 |
46 |
发电机机舱侧轴承温度 |
74 |
变频器从机有功功率 |
102 |
机舱温度 |
|
19 |
后备电源1电压 |
47 |
发电机空腔温度 |
75 |
变频器降功率转矩设定值 |
103 |
塔基控制柜温度 |
|
20 |
后备电源2电压 |
48 |
发电机转速 |
76 |
变频器准备好启动 |
104 |
塔基变压器温度 |
|
21 |
后备电源3电压 |
49 |
发电机内冷入口温度 |
77 |
变频器准备好运行 |
105 |
风速 |
|
22 |
轮毂温度 |
50 |
发电机内冷出口温度 |
78 |
低穿激活 |
106 |
风向 |
|
23 |
变桨电机1扭矩 |
51 |
电网U/V电压 |
79 |
液压主泵处油温 |
107 |
对北风向 |
|
24 |
变桨电机2扭矩 |
52 |
电网V/W电压 |
80 |
液压回油口油温 |
108 |
大气压力 |
|
25 |
变桨电机3扭矩 |
53 |
电网W/U电压 |
81 |
液压主泵处油位 |
109 |
室外温度 |
|
26 |
齿轮箱油温 |
54 |
电网相电压L1N |
82 |
液压回油口油位 |
110 |
空气密度 |
|
27 |
齿轮箱主轴承温度 |
55 |
电网相电压L2N |
83 |
液压系统压力 |
111 |
叶轮转速 |
|
28 |
齿轮箱轮毂侧轴承温度 |
56 |
电网相电压L3N |
84 |
液压泵出口压力 |
|
|
联合解决方案采用OPC UA通讯协议进行数据传输,开放的OPC UA通讯协议将打破现有的“万国牌”现场总结局面,是工业领域的重要发展方向。基于TSN技术,实现了开放的风力发电场景下的实时通讯网络,实时通讯周期小于2ms,满足风电场实时控制需求。
无
飞腾腾珑E2000工控机
飞腾腾珑E2000
广东应通智科科技有限公司(简称:应通智科)是一家成立于2022年7月的创业型高科技企业,本公司致力于打造全行业应力检测和监测综合系统解决方案。 公司由精密仪器专业博士和行业内极富经验的工程师为核心技术团队, 凭借多年在应力检测行业的沉淀和优势,获得业内多个行业高度认可